Anar al contingut principal
Universitat Politècnica de Catalunya
  • Inici
  • Escola
    • On som?
    • Servei d'Informació i Atenció a l'Estudiant - SIAE
    • Govern i representació
    • Seu Electoral
    • Actes de Graduació
    • Qualitat
    • Espais i equipaments
    • Memòries
    • Serveis
    • Butlletí
    • El Temps a l'ESEIAAT
    • Logo i imatge corporativa
    • Opina ESEIAAT
    • Contacte
    • Viu l'ESEIAAT
  • Curs actual
    • Calendari acadèmic
    • Calendari d’exàmens
    • Horaris lectius
    • Guia d’assignatures
    • Matrícula
    • Normatives acadèmiques
    • Treballs Fi d’Estudis
    • Mobilitat
    • Pràctiques en empresa
    • Suport i orientació a l’estudiantat
    • Tràmits administratius
    • Curs actual
    • Beques, ajuts i subvencions
    • Serveis a l'estudiantat
  • Estudis
    • Estudis en Enginyeries Industrials
    • Estudis en Enginyeria Aeroespacial
    • Estudis en Enginyeries de la Telecomunicació
    • Formació Permanent
    • Estudis de Doctorat
    • Dobles titulacions
    • Alt Rendiment Acadèmic ESEIAAT
    • Més oferta formativa
  • Empresa
    • Empresa
    • Pràctiques externes
    • Orientació laboral
    • Com col·laborar amb l'Escola?
    • Preguntes freqüents
    • Speed Recruitment
    • Fòrum d'Empreses
  • Mobilitat
  • Recerca
  • Serveis
  • Futur Estudiantat
    • Sessions Informatives per a Futurs Estudiants de Màster
    • Jornades de Portes Obertes Graus
    • Per què estudiar a l'ESEIAAT?
    • Accés i matrícula
    • Campus Tecnològic d'Estiu
    • Informació als centres de secundària
    • Assessorament de treballs de recerca
    • Pla d'acollida i cursos introductoris
    • Pla d'Acció Tutorial
    • Transport
    • Allotjaments
    • Activitats estudiants
    • Setmana de la Ciència
    • Mercat de Tecnologia del Vallès
    • Proves Cangur
  • Projectes Singulars
    • Creative Lab
    • Inspire3
    • Emprèn UPC
    • CanSat
    • Motospirit
    • Cosmic Research
    • UPC Ecoracing
    • UPC Space Program
    • Trencalòs Team
    • English
    • Español
Cerca avançada…

Menú

Cerca avançada…
  • Inici

  • Escola
    • On som?
    • Servei d'Informació i Atenció a l'Estudiant - SIAE
    • Govern i representació
    • Seu Electoral
    • Actes de Graduació
    • Qualitat
    • Espais i equipaments
    • Memòries
    • Serveis
    • Butlletí
    • El Temps a l'ESEIAAT
    • Logo i imatge corporativa
    • Opina ESEIAAT
    • Contacte
    • Viu l'ESEIAAT
  • Curs actual
    • Calendari acadèmic
    • Calendari d’exàmens
    • Horaris lectius
    • Guia d’assignatures
    • Matrícula
    • Normatives acadèmiques
    • Treballs Fi d’Estudis
    • Mobilitat
    • Pràctiques en empresa
    • Suport i orientació a l’estudiantat
    • Tràmits administratius
    • Curs actual
    • Beques, ajuts i subvencions
    • Serveis a l'estudiantat
  • Estudis
    • Estudis en Enginyeries Industrials
    • Estudis en Enginyeria Aeroespacial
    • Estudis en Enginyeries de la Telecomunicació
    • Formació Permanent
    • Estudis de Doctorat
    • Dobles titulacions
    • Alt Rendiment Acadèmic ESEIAAT
    • Més oferta formativa
  • Empresa
    • Empresa
    • Pràctiques externes
    • Orientació laboral
    • Com col·laborar amb l'Escola?
    • Preguntes freqüents
    • Speed Recruitment
    • Fòrum d'Empreses
  • Mobilitat
  • Recerca
  • Serveis
  • Futur Estudiantat
    • Sessions Informatives per a Futurs Estudiants de Màster
    • Jornades de Portes Obertes Graus
    • Per què estudiar a l'ESEIAAT?
    • Accés i matrícula
    • Campus Tecnològic d'Estiu
    • Informació als centres de secundària
    • Assessorament de treballs de recerca
    • Pla d'acollida i cursos introductoris
    • Pla d'Acció Tutorial
    • Transport
    • Allotjaments
    • Activitats estudiants
    • Setmana de la Ciència
    • Mercat de Tecnologia del Vallès
    • Proves Cangur
  • Projectes Singulars
    • Creative Lab
    • Inspire3
    • Emprèn UPC
    • CanSat
    • Motospirit
    • Cosmic Research
    • UPC Ecoracing
    • UPC Space Program
    • Trencalòs Team

  • English
  • Español
Escola Superior d’Enginyeries Industrial, Aeroespacial i Audiovisual de Terrassa. ESEIAAT
  1. Inici
  2. Futur Estudiantat
  3. Campus Tecnològic d'Estiu
  4. Campus Tecnològic d'Estiu 2025
  5. img
img https://eseiaat.upc.edu/ca/futurs-estudiants/campus-tecnologic-estiu/campus-tecnologic-estiu-2025/img https://eseiaat.upc.edu/++resource++plone-logo.svg

Comparteix:

img

CATIA_GIF.gif
CATIA_GIF.gif
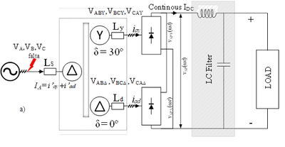
rectificadores.png
rectificadores.png
SP_PLA_GAUSS_I_TEMPORAL.png
SP_PLA_GAUSS_I_TEMPORAL.png
TRU12p.png
TRU12p.png
creativitat.jpg
creativitat.jpg
copernicsu.jpg
copernicsu.jpg
robot ia.jpg
robot ia.jpg
cobots.jpg
cobots.jpg
lluna.jpg
lluna.jpg

Navegació

  • img
  • CATIA_GIF.gif
  • rectificadores.png
  • SP_PLA_GAUSS_I_TEMPORAL.png
  • TRU12p.png
  • creativitat.jpg
  • copernicsu.jpg
  • robot ia.jpg
  • cobots.jpg
  • lluna.jpg

On som

Contacte

Escola Superior d’Enginyeries Industrial, Aeroespacial i Audiovisual de Terrassa

Campus de Terrassa, Edifici TR1. C. Colom, 1 08222 Terrassa

Tel.: 93 739 8102 / 93 739 8200

E-mail: info.eseiaat@upc.edu

Directori UPC

Formulari de contacte

Llista xarxes socials

© UPC Escola Superior d’Enginyeries Industrial, Aeroespacial i Audiovisual de Terrassa. ESEIAAT

  • Desenvolupat amb genweb UPC
  • Mapa del lloc
  • Accessibilitat
  • Avís legal
  • Configuració de privadesa